
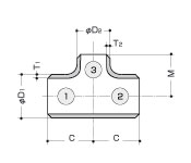
| 呼び径 ①x②x③(mm) | 外径(mm) | 10S厚さ(mm) | 20S厚さ(mm) | 40S厚さ(mm) | 中心から端面までの距離(mm) | ||||||
| D1 | D2 | T1 | T2 | T1 | T2 | T1 | T2 | C | M | ||
| 20x20x15A | 3/4x3/4x1/2B | 27.2 | 21.7 | 2.1 | 2.1 | 2.5 | 2.5 | 2.9 | 2.8 | 28.6 | 28.6 |
| 25x25x20 | 1x1x3/4 | 34.0 | 27.2 | 2.8 | 2.1 | 3.0 | 2.5 | 3.4 | 2.9 | 38.1 | 38.1 |
| 25x25x15 | 1x1x1/2 | 34.0 | 21.7 | 2.8 | 2.1 | 3.0 | 2.5 | 3.4 | 2.8 | 38.1 | 38.1 |
| 32x32x25 | 11/4x11/4x1 | 42.7 | 34.0 | 2.8 | 2.8 | 3.0 | 3.0 | 3.6 | 3.4 | 47.6 | 47.6 |
| 32x32x20 | 11/4x11/4x3/4 | 42.7 | 27.2 | 2.8 | 2.1 | 3.0 | 2.5 | 3.6 | 2.9 | 47.6 | 47.6 |
| 32x32x15 | 11/4x11/4x1/2 | 42.7 | 21.7 | 2.8 | 2.1 | 3.0 | 2.5 | 3.6 | 2.8 | 47.6 | 47.6 |
| 40x40x32 | 11/2x11/2x11/4 | 48.6 | 42.7 | 2.8 | 2.8 | 3.0 | 3.0 | 3.7 | 3.6 | 57.2 | 57.2 |
| 40x40x25 | 11/2x11/2x1 | 48.6 | 34.0 | 2.8 | 2.8 | 3.0 | 3.0 | 3.7 | 3.4 | 57.2 | 57.2 |
| 40x40x20 | 11/2x11/2x3/4 | 48.6 | 27.2 | 2.8 | 2.1 | 3.0 | 2.5 | 3.7 | 2.9 | 57.2 | 57.2 |
| 50x50x40 | 2x2x11/2 | 60.5 | 48.6 | 2.8 | 2.8 | 3.5 | 3.0 | 3.9 | 3.7 | 63.5 | 60.3 |
| 50x50x32 | 2x2x11/4 | 60.5 | 42.7 | 2.8 | 2.8 | 3.5 | 3.0 | 3.9 | 3.6 | 63.5 | 57.2 |
| 50x50x25 | 2x2x1 | 60.5 | 34.0 | 2.8 | 2.8 | 3.5 | 3.0 | 3.9 | 3.4 | 63.5 | 50.8 |
| 65x65x50 | 21/2x21/2x2 | 76.3 | 60.5 | 3.0 | 2.8 | 3.5 | 3.5 | 5.2 | 3.9 | 76.2 | 69.9 |
| 65x65x40 | 21/2x21/2x11/2 | 76.3 | 48.6 | 3.0 | 2.8 | 3.5 | 3.0 | 5.2 | 3.7 | 76.2 | 66.7 |
| 80x80x65 | 3x3x21/2 | 89.1 | 76.3 | 3.0 | 3.0 | 4.0 | 3.5 | 5.5 | 5.2 | 85.7 | 82.6 |
| 80x80x50 | 3x3x2 | 89.1 | 60.5 | 3.0 | 2.8 | 4.0 | 3.5 | 5.5 | 3.9 | 85.7 | 76.2 |
| 80x80x40 | 3x3x11/2 | 89.1 | 48.6 | 3.0 | 2.8 | 4.0 | 3.0 | 5.5 | 3.7 | 85.7 | 73.0 |
| 100x100x80 | 4x4x3 | 114.3 | 89.1 | 3.0 | 3.0 | 4.0 | 4.0 | 6.0 | 5.5 | 104.8 | 98.4 |
| 100x100x65 | 4x4x21/2 | 114.3 | 76.3 | 3.0 | 3.0 | 4.0 | 3.5 | 6.0 | 5.2 | 104.8 | 95.3 |
| 100x100x50 | 4x4x2 | 114.3 | 60.5 | 3.0 | 2.8 | 4.0 | 3.5 | 6.0 | 3.9 | 104.8 | 88.9 |
| 125x125x100 | 5x5x4 | 139.8 | 114.3 | 3.4 | 3.0 | 5.0 | 4.0 | 6.6 | 6.0 | 123.8 | 117.5 |
| 125x125x80 | 5x5x3 | 139.8 | 89.1 | 3.4 | 3.0 | 5.0 | 4.0 | 6.6 | 5.5 | 123.8 | 111.1 |
| 125x125x65 | 5x5x21/2 | 139.8 | 76.3 | 3.4 | 3.0 | 5.0 | 3.5 | 6.6 | 5.2 | 123.8 | 108.0 |
| 150x150x125 | 6x6x5 | 165.2 | 139.8 | 3.4 | 3.4 | 5.0 | 5.0 | 7.1 | 6.6 | 142.9 | 136.5 |
| 150x150x100 | 6x6x4 | 165.2 | 114.3 | 3.4 | 3.0 | 5.0 | 4.0 | 7.1 | 6.0 | 142.9 | 130.2 |
| 150x150x80 | 6x6x3 | 165.2 | 89.1 | 3.4 | 3.0 | 5.0 | 4.0 | 7.1 | 5.5 | 142.9 | 123.8 |
| 200x200x150 | 8x8x6 | 216.3 | 165.2 | 4.0 | 3.4 | 6.5 | 5.0 | 8.2 | 7.1 | 177.8 | 168.3 |
| 200x200x125 | 8x8x5 | 216.3 | 139.8 | 4.0 | 3.4 | 6.5 | 5.0 | 8.2 | 6.6 | 177.8 | 161.9 |
| 200x200x100 | 8x8x4 | 216.3 | 114.3 | 4.0 | 3.0 | 6.5 | 4.0 | 8.2 | 6.0 | 177.8 | 155.6 |
| 250x250x200 | 10x10x8 | 267.4 | 216.3 | 4.0 | 4.0 | 6.5 | 6.5 | 9.3 | 8.2 | 215.9 | 203.2 |
| 250x250x150 | 10x10x6 | 267.4 | 165.2 | 4.0 | 3.4 | 6.5 | 5.0 | 9.3 | 7.1 | 215.9 | 193.7 |
| 250x250x125 | 10x10x5 | 267.4 | 139.8 | 4.0 | 3.4 | 6.5 | 5.0 | 9.3 | 6.6 | 215.9 | 190.5 |
| 300x300x250 | 12x12x10 | 318.5 | 267.4 | 4.5 | 4.0 | 6.5 | 6.5 | 10.3 | 9.3 | 254.0 | 241.3 |
| 300x300x200 | 12x12x8 | 318.5 | 216.3 | 4.5 | 4.0 | 6.5 | 6.5 | 10.3 | 8.2 | 254.0 | 228.6 |
| 300x300x150 | 12x12x6 | 318.5 | 165.2 | 4.5 | 3.4 | 6.5 | 5.0 | 10.3 | 7.1 | 254.0 | 219.1 |
底部导航
产品分类
联系我们
支付宝二维码
