
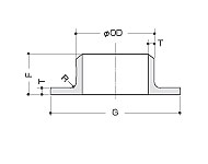
| 呼び径(kg) | 5K (kg) | 10K (kg) | 外径 OD(mm) | 厚さ T(mm) | つばの径 G(mm) | 高さF(mm) | コーナーR(mm) | |||
| 5K | 10K | 最大 | 最小 | |||||||
| 15A | 1/2B | 0.056 | 0.065 | 21.7 | 2.1 | 44 | 51 | 30 | 3.0 | 1.5 |
| 20 | 3/4 | 0.075 | 0.085 | 27.2 | 2.1 | 49 | 56 | 30 | 3.0 | 11.5 |
| 25 | 1 | 0.162 | 0.180 | 34.0 | 2.8 | 59 | 67 | 50 | 3.0 | 1.5 |
| 32 | 11/4 | 0.210 | 0.225 | 42.7 | 2.8 | 70 | 76 | 50 | 4.0 | 2.0 |
| 40 | 11/2 | 0.244 | 0.260 | 48.6 | 2.8 | 75 | 81 | 50 | 4.0 | 2.0 |
| 50 | 2 | 0.265 | 0.300 | 60.5 | 2.8 | 85 | 96 | 50 | 4.0 | 2.0 |
| 65 | 21/2 | 0.385 | 0.410 | 76.3 | 3.0 | 110 | 116 | 50 | 5.0 | 2.5 |
| 80 | 3 | 0.467 | 0.490 | 89.1 | 3.0 | 121 | 126 | 50 | 5.0 | 2.5 |
| 100 | 4 | 0.555 | 0.610 | 114.3 | 3.0 | 141 | 151 | 50 | 5.0 | 2.5 |
| 125 | 5 | 0.785 | 0.830 | 139.8 | 3.4 | 176 | 182 | 50 | 6.0 | 3.0 |
| 150 | 6 | 1.057 | 1.110 | 165.2 | 3.4 | 206 | 212 | 50 | 6.0 | 3.0 |
| 200 | 8 | 1.812 | 1.940 | 216.3 | 4.0 | 252 | 262 | 65 | 6.0 | 3.0 |
| 250 | 10 | 2.418 | 2.530 | 267.4 | 4.0 | 317 | 324 | 65 | 6.0 | 3.0 |
| 300 | 12 | 3.105 | 3.250 | 318.5 | 4.5 | 360 | 360 | 65 | 9.0 | 3.0 |
底部导航
产品分类
联系我们
支付宝二维码
