
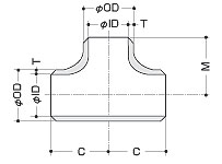
| ??? | 10S (kg) | 20S (kg) | ?篝? OD (mm) | 10S | 20S | ???????鮓??讀??????琿x | ||||
| ???? ID(mm) | ?? T(mm) | ???? ID(mm) | ?? T(mm) | C(mm) | M(mm) | |||||
| 350A | 14B | 27.3 | 44.8 | 355.6 | 345.6 | 5.0 | 339.6 | 8.0 | 279.4 | 279.4 |
| 400 | 16 | 33.7 | 55.3 | 406.4 | 396.4 | 5.0 | 390.4 | 8.0 | 304.8 | 304.8 |
| 450 | 18 | 42.7 | 70.2 | 457.2 | 447.2 | 5.0 | 441.2 | 8.0 | 342.9 | 342.9 |
| 500 | 20 | 61.0 | 104.0 | 508.0 | 497.0 | 5.5 | 489.0 | 9.5 | 381.0 | 381.0 |
底部导航
产品分类
联系我们
支付宝二维码
