
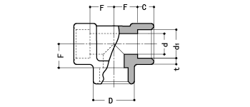
| 呼び径 | D | d | d1 | C Min | F | t Min | |
| 8A | 1/4B | 23 | 9.4 | 14.3 | 9.6 | 11.1 | 3.3 |
| 10 | 3/8 | 27 | 12.7 | 17.8 | 9.6 | 13.5 | 3.5 |
| 15 | 1/2 | 34 | 16.1 | 22.2 | 9.6 | 15.9 | 4.1 |
| 20 | 3/4 | 39 | 21.4 | 27.7 | 12.7 | 19.1 | 4.3 |
| 25 | 1 | 47 | 27.2 | 34.5 | 12.7 | 22.2 | 5 |
| 32 | 11/4 | 57 | 35.5 | 43.2 | 12.7 | 27.0 | 5.4 |
| 40 | 11/2 | 63 | 41.2 | 19.1 | 12.7 | 31.8 | 5.6 |
| 50 | 2 | 76 | 52.7 | 61.1 | 15.9 | 38.1 | 6.1 |
底部导航
产品分类
联系我们
支付宝二维码
