
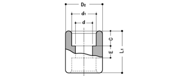
| 呼び径 | D1 | d | d1 | C Min | E | L1 | |
| 8A | 1/4B | 22 | 9.4 | 14.3 | 9.6 | 6 | 26 |
| 10 | 3/8 | 25 | 12.7 | 17.8 | 9.6 | 6 | 26 |
| 15 | 1/2 | 32 | 16.1 | 22.2 | 9.6 | 10 | 30 |
| 20 | 3/4 | 38 | 21.4 | 27.7 | 12.7 | 10 | 36 |
| 25 | 1 | 45 | 27.2 | 34.5 | 12.7 | 13 | 39 |
| 32 | 11/4 | 55 | 35.5 | 43.2 | 12.7 | 13 | 39 |
| 40 | 11/2 | 65 | 41.2 | 49.1 | 12.7 | 13 | 39 |
| 50 | 2 | 75 | 52.7 | 61.1 | 15.9 | 16 | 51 |
底部导航
产品分类
联系我们
支付宝二维码
